G5W11-WZ200A06-W2 防爆微动开关-微动开关厂家
G5W11-WZ200A06-W2 防爆微动开关,是厂家专为空调变压器打造的高可靠性核心元件,精准匹配设备对稳定性能、超长寿命、严格安全合规性的核心诉求。
采用优质阻燃材料与精密制造工艺,搭配隔爆型结构设计,能有效禁锢触点动作时的微小电火花,杜绝引燃风险,确保在空调变压器的高温、高压工作环境中稳定一致运行。
G5W11-WZ200A06-W2 防爆微动开关,是厂家专为空调变压器打造的高可靠性核心元件,精准匹配设备对稳定性能、超长寿命、严格安全合规性的核心诉求。
采用优质阻燃材料与精密制造工艺,搭配隔爆型结构设计,能有效禁锢触点动作时的微小电火花,杜绝引燃风险,确保在空调变压器的高温、高压工作环境中稳定一致运行。
产品核心优势:
产品内置银合金耐用触点,兼具低电阻传输与高机械耐久性优势,可适配空调变压器的温度监测、电路通断控制等长期连续工作需求,同时符合国际防爆认证与家电安全标准,为空调运行筑牢安全防线。
源头厂家直供,以防爆级精工品质守护家电用电安全。
· 防水防尘(IP67)设计
· 体型小巧,紧凌
· 拥有全球安规认证
· 长寿命,高可靠性
· 配备各种形式的操作柄
· 接线踹子种类齐全
· 广泛应用于汽车控制、家电控制、工业控制等领域
· 各种安装外形尺寸满足不同的安装要求
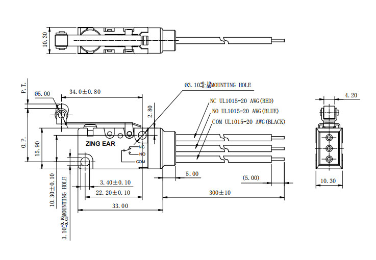
工作电压 | 125/250VAC 30VDC |
额定电流 | 5A |
接触电阻 | 100mΩ Max. |
绝缘电阻 | 100mΩ Min. |
接触形式 | 单刀双掷(SPDT) |
操作力(OF) | 可定制 |
工作温度 | -40℃~+85℃ |
触点材料 | 可定制 |
电气寿命 | 50,000次 Min. |
机械寿命 | 50,000次 Min. |
防护等级 | IP67 |
端子与杠杆 | 长滚轮手柄 |
外型 | 可定制 |
抗电强度 | 500 VAC(50~60HZ)漏电流<10mA --端子与端子间。 1000 VAC(50~60HZ)电流<10mA --端子与非载流金属部件间 --端子与外壳 |

晋煜(zingear)微动开关
全球OEM供应商,深受欧洲、亚洲、南美品牌信赖
严格的质量控制体系:IQC→ IPQC → FQC → OQC
全面的认证支持
交货期短,批量生产稳定