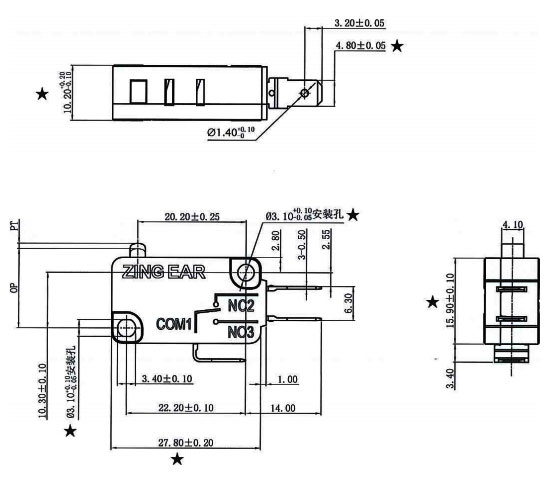
晋煜集团 G5T16-E1Z200 家电微动开关-微动开关供应商
应用于家用电器的空调变压器
晋煜 G5T16-E1Z200 家电微动开关,其研发设计紧扣家电设备对稳定性能、超长使用寿命与严格安全合规性的核心要求,采用优质原材料与精密制造工艺,确保在空调运行的高频启停、温湿度变化等复杂工况下,始终保持稳定一致的运行表现,完美适配消费级家电的使用环境
晋煜 G5T16-E1Z200 家电微动开关,其研发设计紧扣家电设备对稳定性能、超长使用寿命与严格安全合规性的核心要求,采用优质原材料与精密制造工艺,确保在空调运行的高频启停、温湿度变化等复杂工况下,始终保持稳定一致的运行表现,完美适配消费级家电的使用环境
产品核心优势:
产品搭载耐用触点,兼具低电阻传输与高机械耐久性的双重优势,可满足空调变压器长期连续工作的严苛需求,为空调设备的安全运行筑牢控制防线。
作为专业微动开关供应商,晋煜集团以精工品质赋能家电产业升级。
· 防水防尘(IP67)设计
· 体型小巧,紧凌
· 拥有全球安规认证
· 长寿命,高可靠性
· 配备各种形式的操作柄
· 接线踹子种类齐全
· 广泛应用于汽车控制、家电控制、工业控制等领域
· 各种安装外形尺寸满足不同的安装要求
工作电压 | 250VAC |
额定电流 | 16A |
接触电阻 | 100mΩ Max. |
绝缘电阻 | 100mΩ Min. |
接触形式 | 单刀双掷(SPDT) |
操作力(OF) | 可定制 |
工作温度 | -25℃~+125℃ |
触点材料 | 可定制 |
电气寿命 | 50,000次 Min. |
机械寿命 | 100,000次 Min. |
防护等级 | IP40 |
端子与杠杆 | 柱式按挚 |
外型 | 基本型 |
抗电强度 | 500 VAC(50~60HZ)漏电流<10mA --端子与端子间。 1000 VAC(50~60HZ)电流<10mA --端子与非载流金属部件间 --端子与外壳 |

晋煜(zingear)微动开关
全球OEM供应商,深受欧洲、亚洲、南美品牌信赖
严格的质量控制体系:IQC→ IPQC → FQC → OQC
全面的认证支持
交货期短,批量生产稳定