晋煜集团 G5T16-E1Z200A01 家用电器、耐高温微动开关
晋煜 G5T16-E1Z200A01 家用电器微动开关,是一款专为稳定性能、超长寿命、严苛安全合规需求打造的高可靠性开关产品
晋煜 G5T16-E1Z200A01 家用电器微动开关,是一款专为稳定性能、超长寿命、严苛安全合规需求打造的高可靠性开关产品
产品核心优势:
依托优质材料选型与精密制造工艺,这款开关可在微波炉等家用电器的复杂工况中保持稳定运行,完美适配消费场景下的高频次操作需求。产品内置耐用触点,兼具低电阻传输与高机械耐久性的核心优势,不仅能精准实现微波炉炉门的通断控制,保障设备 “门未关紧不启动” 的安全逻辑,更能满足长期连续使用的可靠性要求。
晋煜集团深耕微动开关领域,支持批量批发供应,以高性价比的精工产品,为家用电器制造商提供稳定、安全的控制组件解决方案。
· 防水防尘(IP67)设计
· 体型小巧,紧凌
· 拥有全球安规认证
· 长寿命,高可靠性
· 配备各种形式的操作柄
· 接线踹子种类齐全
· 广泛应用于汽车控制、家电控制、工业控制等领域
· 各种安装外形尺寸满足不同的安装要求
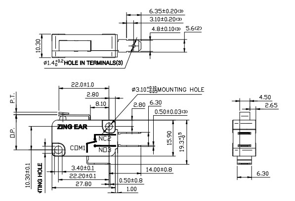
工作电压 | 250VAC |
额定电流 | 16A |
接触电阻 | 100mΩ Max. |
绝缘电阻 | 100mΩ Min. |
接触形式 | 单刀双掷(SPDT) |
操作力(OF) | 可定制 |
工作温度 | -25℃~+125℃ |
触点材料 | 可定制 |
电气寿命 | 50,000次 Min. |
机械寿命 | 100,000次 Min. |
防护等级 | IP40 |
端子与杠杆 | 短直柄 |
外型 | 基本型 |
抗电强度 | 500 VAC(50~60HZ)漏电流<10mA --端子与端子间。 1000 VAC(50~60HZ)电流<10mA --端子与非载流金属部件间 --端子与外壳 |

晋煜(zingear)微动开关
全球OEM供应商,深受欧洲、亚洲、南美品牌信赖
严格的质量控制体系:IQC→ IPQC → FQC → OQC
全面的认证支持
交货期短,批量生产稳定