晋煜集团 G5T16-E1Z200A05 高精度微动开关
晋煜集团 G5T16-E1Z200A05 高精度微动开关,是一款专为除湿机等家用电器打造的高可靠性开关产品,精准契合设备对稳定性能、超长寿命、严格安全合规性的严苛要求。
依托优质材料选型与晋煜精工级精密制造工艺,这款开关可从容应对除湿机运行时的潮湿工况与长期连续作业需求,在消费级家电应用场景中始终保持稳定一致的运行表现,为设备可靠工作筑牢基础
晋煜集团 G5T16-E1Z200A05 高精度微动开关,是一款专为除湿机等家用电器打造的高可靠性开关产品,精准契合设备对稳定性能、超长寿命、严格安全合规性的严苛要求。
依托优质材料选型与晋煜精工级精密制造工艺,这款开关可从容应对除湿机运行时的潮湿工况与长期连续作业需求,在消费级家电应用场景中始终保持稳定一致的运行表现,为设备可靠工作筑牢基础
产品核心优势:
产品搭载耐用触点核心组件,兼具低电阻信号传输与高机械耐久性的双重优势,完美适配除湿机的水位检测、湿度控制、风机启停等关键功能模块,保障设备在高频次启停与长期运行中不卡顿、不失效。
晋煜微动开关,以高精度控制赋能家电升级,守护家居舒适环境。
· 防水防尘(IP67)设计
· 体型小巧,紧凌
· 拥有全球安规认证
· 长寿命,高可靠性
· 配备各种形式的操作柄
· 接线踹子种类齐全
· 广泛应用于汽车控制、家电控制、工业控制等领域
· 各种安装外形尺寸满足不同的安装要求
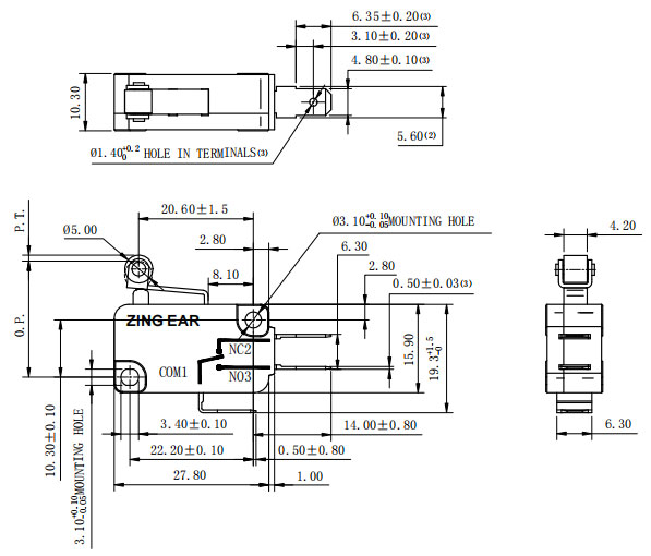
工作电压 | 250VAC |
额定电流 | 16A |
接触电阻 | 100mΩ Max. |
绝缘电阻 | 100mΩ Min. |
接触形式 | 单刀双掷(SPDT) |
操作力(OF) | 可定制 |
工作温度 | -25℃~+125℃ |
触点材料 | 可定制 |
电气寿命 | 50,000次 Min. |
机械寿命 | 100,000次 Min. |
防护等级 | IP40 |
端子与杠杆 | 短滚轮直柄 |
外型 | 基本型 |
抗电强度 | 500 VAC(50~60HZ)漏电流<10mA --端子与端子间。 1000 VAC(50~60HZ)电流<10mA --端子与非载流金属部件间 --端子与外壳 |

晋煜(zingear)微动开关
全球OEM供应商,深受欧洲、亚洲、南美品牌信赖
严格的质量控制体系:IQC→ IPQC → FQC → OQC
全面的认证支持
交货期短,批量生产稳定