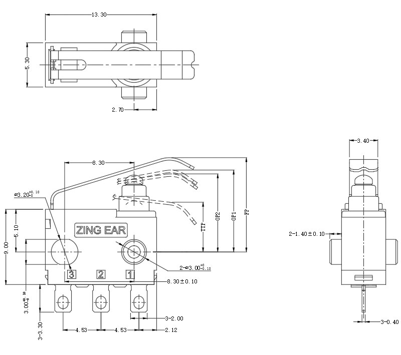
G306-150S09A
密封小型微动开关是具有微小接点间隔和快动机构,用规定的行程和规定的力进行开关动作的接点机构,用外壳覆盖,其外部有驱动杆的一种开关,因为其开关的触点间距比较小,故名微动开关。广泛应用于各种汽车控制、家电及工业控制等领域。
产品核心优势:
· 待更新
· 防水防尘(IP67)设计
· 拥有全球安规认证
· 配备各种形式的操作柄
· 接线踹子种类齐全
工作电压 | 30VDC/14VDC |
额定电流 | 0.1A/10mA |
接触电阻 | 100mΩ |
绝缘电阻 | 100mΩ |
接触形式 | 单刀双掷(SPDT) |
操作力(OF) | 可定制 |
工作温度 | -40℃~+85℃ |
触点材料 | 可定制 |
电气寿命 | 100,000次 Min. |
机械寿命 | 500,000次 Min. |
防护等级 | IP67 |
端子与杠杆 | 可定制 |
外型 | 可定制 |
抗电强度 | 500 VAC(50~60HZ)漏电流<10mA --端子与端子间。 1000 VAC(50~60HZ)电流<10mA --端子与非载流金属部件间 --端子与外壳 |







